您當前的位置:首頁 >> 技術 >> 管材與型材擠出 » 正文
ZSK320擠壓造粒機在線自動換網經驗總結
  瀏覽次數:8098  發布時間:2019年08月06日 10:56:39
[導讀] 介紹了ZSK320系列擠壓造粒機的結構,討論了SWZ7000換網器在換網過程中遇到的問題并提出了解決方法。通過采取調節擠壓造粒機負荷、調節筒體及模板溫度、清理換網器滑道并涂抹硅油、調整節流閥開度等措施,控制了熔融泵的進出口壓差,從而提高了在線自動換網的成功率,保證了擠壓造粒機的長周期連續平穩運行。
 ZSK320擠壓造粒機在線自動換網經驗總結
陳興鋒,牟 達,姚圣兵
(中國石油廣西石化公司,廣西欽州535000)
摘要:介紹了ZSK320系列擠壓造粒機的結構,討論了SWZ7000換網器在換網過程中遇到的問題并提出了解決方法。通過采取調節擠壓造粒機負荷、調節筒體及模板溫度、清理換網器滑道并涂抹硅油、調整節流閥開度等措施,控制了熔融泵的進出口壓差,從而提高了在線自動換網的成功率,保證了擠壓造粒機的長周期連續平穩運行。
關鍵詞:ZSK320擠壓造粒機;在線自動換網;熔融泵進出口壓差
中圖分類號:TQ051.9+3     文獻標識碼:B   文章編號:1671-9905(2018)10-0064-03

中國石油廣西石化公司生產四部聚丙烯車間采用德國Coperion公司20萬t·a-1的ZSK320系列擠壓造粒機,用的是SWZ7000換網器,換網器濾網是100目和150目的。本文對SWZ7000換網器在換網過程中遇到的問題進行了分析,并提出了相應的解決方法,包括調節擠壓造粒機負荷、調節筒體及模板溫度、清理換網器滑道并涂抹硅油、調整節流閥開度等,以控制熔融泵的進出口壓差,從而提高在線自動換網的成功率,保證擠壓造粒機的長周期連續平穩運行。

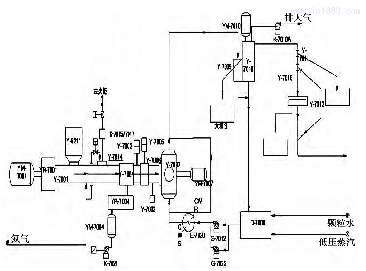
1 ZSK320擠壓造粒機結構

擠壓造粒系統由主電機及輔助電機(YM-7001)、主齒輪箱(YR-7001)、進料料斗(Y-6211)、
筒體、節流開車閥(YM-7002)、熔融泵及電機(YM-7004)、換網器(Y-7005)、切粒機(Y-7007)、液壓油系統以及粒料處理系統等組成(圖1)。



圖1 擠壓造粒主要系統


擠壓機筒體共有9段,根據螺桿的捏合塊形式,分為輸送區、塑化區、混煉剪切區、脫氣區、均化區、加壓區。筒體采用冷、熱油系統進行調溫控制,其中第一段筒體采用的是循環水冷卻,且筒體驅動端配有專用的WOODEX密封(螺桿密封),使用低壓氮氣作為密封。冷、熱油系統介質均為導熱油,采用電加熱的方式,其中脫氣段導熱油筒體只有熱油系統,沒有冷油進行調節,脫氣系統帶有3個脫氣罐和特殊設計的脫氣口。

節流開車閥(YM-7002)直接連接到最后一個混煉螺桿的截面上,調整內置節流閥瓣,可以影響熔體能量的儲存或轉移到加工部分。節流閥瓣被設計成一個圓盤,兩個點繞著一個水平軸旋轉,由電機驅動進行左右調整,在軸上設置的電位器決定節流瓣的位置指示。開車閥由1個閥體和驅動機構組成,在殼體中集成的啟動閥由1個主軸和1個液壓旋轉動作執行機構組成,該主軸可開啟和關閉,被用來確定熔體的排放方向,開啟時,處理部分的熔體被排放
到地板上,以防止非規范熔體到達下游部件,當主軸旋轉90°時,熔體流動到下游處理單元。

熔融泵位于開車節流閥后,其作用是增加物料壓力,滿足換網器和切粒機的壓力。熔融泵包括變頻電機、齒輪箱、齒輪泵等部分。其中齒輪箱設有潤滑油系統,帶有2臺油泵,1個油冷卻器,2個互為備用的油過濾器。齒輪泵本體帶有1套油溫控制系統,溫度控制系統有油加熱和冷卻兩個系統。

在復合裝置中,需要通過篩網來過濾熱塑性熔體(圖2)。換網器(Y-7005)通過螺栓連接到擠壓機上下游單元,主要由3個部分組成:1)外殼,安裝在支座上。外殼上的冷卻板用于防止熔體從密封間隙流出,冷卻板與除鹽水冷卻水回路相連;2)滑板,安裝在外殼的座孔內,滑板上有2個孔,各裝1個過濾網;3)支座,換網器安裝在支座上,由支座吸收換

網器因熱膨脹產生的軸向位移。支座的裝配面決定換網器軸向的精確對準,用固定器將支座錨固在基礎上;4)滑動門,上裝有機械鎖,由按鍵傳遞系統控制關閉的門位置,只有當所有滑門都關閉時,才能移動滑板。


圖2 換網器結構


如圖3所示,每個過濾網片包括以下組件:網芯固定板、支撐架、網芯。經過高溫加熱后,液壓缸能在3s內將滑板移至對面位置。切換時,滑動板由液壓缸沿橫向向熔體流動方向移動,滑動板從一個過濾器插入到另一個過濾器內完成過濾網切換,移動滑板所需的動力由單獨安裝的液壓單元提供。



圖3 濾網結構


聚丙烯熔融物料從換網器流入到模板,切粒機(Y-7007)的旋轉切刀將模板孔流出的物料在模板表面切成均勻的顆粒。切粒水從下部流入到切粒水室,顆粒被切粒水冷卻后隨切粒水流到離心式干燥器進行干燥分離。干燥分離后的物料進入振動篩(Y-7013)進行分級篩檢,合格的物料進入擠壓機組出料料斗后,通過風送系統送到合格料倉,然后送到庫房進行包裝。經干燥器分離下來的切粒水,經過濾器過濾后進入切粒水箱(D-7008)循環使用。

2 ZSK320在線自動換網出現的問題及解決方法
2.1 在線自動換網遇到的問題

自2010年9月擠壓造粒機組投入運行開始,由于種種原因,一直無法實現在線自動換網。2013年3月大檢修期間,邀請Coperion工程師對換網器進行了調試,仍未能實現在線自動換網。調研發現有以下幾方面的原因:1)動力不足,換網器液壓油系統儲能器的壓力不夠,導致切換速度慢;2)液壓換向系統動作慢,液壓油臟,導致電磁閥卡塞;3)換網器液壓缸內部活塞的密封件損壞;4)最主要的原因,是每次換網過程中都會出現熔融泵進出口壓差(PD41420/PV)高報聯鎖(20.787MPa),導致停車。

2.2 解決方法
2.2.1 換網器液壓油系統的解決方案
1)在2016年大檢修期間,對儲能器進行了檢查,消除了接管漏點,保持壓力維持在正常范圍之內,離線切換動作快速靈活;
2)更換整個系統的液壓油,清理油箱并更換液壓油過濾器,保證整個液壓油系統干凈;
3)更換了換向電磁閥,保證切換順暢;
4)對換網器液壓油缸內部活塞密封件進行了檢查和更換。

2.2.2 熔融泵進出口壓差高報聯鎖停車的解決方案
由大量的換網實踐經驗發現,PD41411/PV和PD41421/PV兩個壓力信號在換網過程中基本不會出現單獨觸發聯鎖停車的情況,絕大多數情況都是熔融泵進出口壓差(PD41420/PV)高報導致聯鎖停車。同時,對PD41420/PV的壓力趨勢圖進行認真分析后發現,從換網開始到PD41420/PV采集到換網壓力峰值,這之間大概有3~5s的時間延遲,如果壓力的峰值在這個時間段內越快通過,那么在線自動換網的成功率就會越高;反之,如果超過5s或以上,那么換網成功率就會很低,甚至會導致換網失敗。因此,熔融泵進出口壓差(PD41420/PV)大概有3~5s左右的時間,讓切換過濾網時產生的壓力峰值通過,如果在這個時間段內,切換過濾網的壓力峰值還未通過,且超過了PD41420/PV的連鎖邏輯值,勢必會造成在線自動換網的失敗。因此我們考慮通過兩個途徑來提高在線自動換網的成功率:一是在切換過程中通過調節擠壓造粒機的各參數,保證在切換過程中,熔融泵進出口壓差峰值(16.87MPa)不超過邏輯聯鎖值(表1);二是在切換過程中,使熔融泵進出口壓差峰值在采集波峰信號的延遲時間內快速通過,使得PD41420/PV采集到的是波峰后的數據,保證采集到的壓力值不超過邏輯連鎖值。

表1 L5E89在線自動換網前后參數對照表

表1


從以上兩點可以看出,要想提高在線自動換網的成功率,一方面要提高在線換網的速率,另一方面要降低換網過程中熔融泵進出口壓差的峰值。目前我們采取的措施有:

1)提前4h將備用濾網安裝到位,測量過濾網安裝口平面尺寸,確保完全安裝入內,保證備用過濾網預熱正常,并提前0.5h關閉換網器冷卻水,提高備用濾網的溫度,降低物料通過濾網時的阻力,從而降低熔融泵進出口壓差;
2)清理換網器滑道,涂抹上硅油,保持滑道的清潔,便于滑道在切換時快速通過,從而提高換網速率;
3)根據不同的生產牌號和熔融指數,調整節流閥開度和生產負荷,保證熔體具備一定的穿透速率。需要注意的是,節流閥開度和生產負荷的控制需要根據實踐經驗進行調整,負荷過高,熔融泵前后壓差會上升,負荷過低,則會對穿透速率造成一定影響。另外還可以適當提高筒體導熱油溫度和模板溫度,增加熔體的流動性,降低流體阻力。

3 結論

本文對擠壓造粒機在線自動換網時遇見的問題進行探討,得出結論,要想提高在線自動換網的成功率,一是要調節各參數,降低換網過程中熔融泵進出口壓差的峰值;二是要提高在線換網的速率,讓熔融泵進出口壓差的峰值盡快通過,使得PD41420/PV采集到的數據不超過邏輯連鎖值??偟膩碚f就是保證換網器的換網速率,并通過調節擠壓機的生產負荷、節流閥開度、熔體溫度等,使得在減少熔體阻力的同時,又讓其保持一定的穿透速率,能夠快速通過切換過來的備用過濾網,從而提高在線自動換網的成功率。

參考文獻:
[1]閆曉東.CWPZSK350擠壓機運行優化控制[J].內蒙古石油化工,2013(13):77-78.