您當前的位置:首頁 >> 技術 >> 注塑 » 正文
改進PSO在注塑機料筒溫度控制中的應用研究
  瀏覽次數:6888  發布時間:2023年12月14日 10:08:10
[導讀] 針對注塑機料筒溫度回路非線性、大慣性、純滯后的特點,提出一種改進粒子群算法,用其優化并行式2自由度比例積分微分(proportional integral differential,PID),并將其用于料筒溫度回路。通過MATLAB仿真,驗證上述方法具有響應快、調節時間短、超調量小等優點,能更好滿足注塑機料筒溫度的控制要求。
 吳延凱,凌飛
河南工業職業技術學院,河南南陽473000

摘要:針對注塑機料筒溫度回路非線性、大慣性、純滯后的特點,提出一種改進粒子群算法,用其優化并行式2自由度比例積分微分(proportional integral differential,PID),并將其用于料筒溫度回路。通過MATLAB仿真,驗證上述方法具有響應快、調節時間短、超調量小等優點,能更好滿足注塑機料筒溫度的控制要求。
關鍵詞:注塑機;料筒溫度;粒子群算法;2自由度;MATLAB

引言
注塑機是一個機、電、液一體化的典型自動化控制系統,可一次成型復雜塑料產品,其適應能力強、效率高,被廣泛用于國防、工業、農業等領域。因注塑技術的進步,對注塑機自動化程度要求越來越高,最突出的是料筒溫度控制,溫度過高、過低都會影響產品質量,因此,對料筒溫度的控制就顯得尤為重要[1]。對于料筒溫度控制,本文提出一種并行式2自由度PID取代傳統比例積分微分(proportional integral differential,PID),并提出改進粒子群優化算法(PSO)對其參數進行優化,通過仿真證明其具有優良控制效果。

1料筒溫度模型建立
在注射成型中,影響塑料成型的因素很多,諸如材料結晶性、流動性、料筒溫度等,而料筒溫度直接關系到筒內物料均勻度,影響成品好壞。若溫度過高,原料分子交融質變,間隙變大,產生發泡現象,影響注射;若溫度過低,熔融不佳,螺桿間產生阻力,阻擾注射順暢性,塑料固化在筒內產生破壞[2]。料筒加熱方式是把料筒分成若干段,每段外側放置加熱器保證受熱均勻,根據模具工藝需求,各段溫度設置不同,可滿足對熔體各段溫度值的要求,生產中注塑機一般分為3段或4段加熱。注塑機料筒結構如圖1所示。

圖1
圖1 注塑機料筒簡圖

針對料筒溫度回路時間常數大、滯后時間大、耦合性強、非線性的復雜特點,可近似將其看作一階慣性加延遲環節。對于其參數確定,可用切線法來估算模型中的增益K、時間常數T及對象純滯后時間τ[3]。首先增益K的確定為: 
1公式
然后是時間常數T的確定,可在響應曲線上找到(t1,0.632y(∞))點,也即找到y(t1)=0.632y(∞)對應的橫軸t1,則時間常數T=t1-t0。
最后是純滯后時間τ確定,響應曲線中切線與橫軸交點值即被控對象純滯后時間τ值。

2并行式2自由度PID

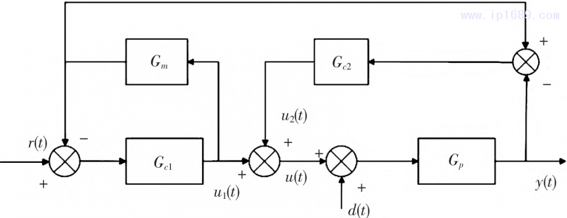
在工業控制中,PID被廣泛應用。若采用傳統PID,參數僅有1組可調,抗擾特性、目標值追蹤特性不能同時達到最優。為解決該問題,2自由度PID應運而生;實際控制中,其調節效果確實優于傳統PID。具體優點為:在目標值追蹤和抗擾特性上,2自由度PID可同步調整兩者達到最佳狀態[4]。本文在2自由度PID基礎上,提出并行式2自由度PID,其結構如圖2所示。

圖2
圖2 并行式二自由度PID

對于PD控制器Gc1而言,系統給定值的跟蹤性能受其控制,其表達式為:
2公式
對于PID控制器Gc2而言,系統抗干擾能力受其控制,其表達式為:
3公式
在式(2)和式(3)中,Kc1及Kc2是增益,Td1及Td2是微分常數,Ti2是積分常數。
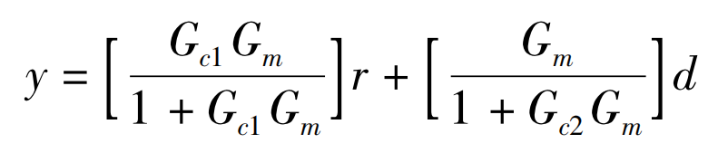
則該2自由度的閉環輸出表達式為:
4公式

3改進PSO算法設計
遺傳算法(GA)和粒子群算法都是經典群智能算法,本文在傳統粒子群算法基礎上,融入遺傳思想,設計出一種改進PSO,該算法可彌補缺點,增強優點,相比單一算法具有更好的全局尋優能力,提高了算法性能。改進PSO引入了GA的雜交、變異算子,以擴充種群數量,防止過早收斂而陷入局部最優。為防止加入雜交、變異算子后影響算法穩定性,采用擇優去劣思想,對個體適應度值從高到低排序,優先選擇適應度值高的個體[5]。具體的算法原理如下。

1)將各微粒賦值隨機數r1和r2,比較其值是否小于或等于雜交、變異概率來判斷目前微粒是否可雜交、變異。
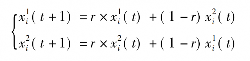
2)雜交單體被選中后,選擇群體中隨機微粒進行雜交,其子代微粒位置由雙親通過以下公式來確定。
5公式
式中:xi1(t)和xi2(t)為交叉前粒子位置;xi1(t+1)和xi2(t+1)為交叉后粒子的位置;r為[0,1]的隨機數。
3)變異微粒被選中后,會再次變異以產生更優秀微粒,變異的具體方式如下。
6公式
式中:xji表示第i個粒子的第j維向量;xjmin和xjmax分別為xji的上限和下限;r為隨機數,n為當前迭代次數。
4)對于交叉、變異微粒,須做范圍檢測,對于越位微粒,采用式(7)生成新變異微粒,替換越位微粒。若微粒進化斷停,過早收斂時,可越過目前位置跳入新區域繼續尋優。
7公式
5)前面微粒在交叉、變異時,因跳躍尋優使種群復雜度得以保持,但會使種群在全局尋優中失敗,故把擇優去劣思想應用到算法中,以免造成優秀基因遺失。若優秀微粒數量為種群1/4,在尋優中對迭代后的種群和優秀微粒合并,按適應度值排序,去掉靠后1/4個體以保證種群數量不變,并將靠前1/4個體的速度、位置及適應度值替代舊的優良個體,以提高整體適應度值,加快算法的收斂速度。

4基于MATLAB的實例分析
為驗證文中所提方法的有效性,將此方法運用到注塑機料筒溫度控制回路中,通過前面的建模、辨識,確定注塑機料筒溫度回路的被控對象如下。
8公式
對于文中所述問題,一般取種群規模為100,可達到理想優化效果;最大迭代次數取100。在遺傳算法中,交叉概率一般取0.4~0.9,文中取最大值0.9,以保證種群的多樣性;變異概率取0.1;優秀個體數設置為25。

通過MATLAB仿真,得到改進PSO整定并行式2自由度PID的階躍響應曲線、GA整定并行式2自由度PID和PSO整定并行式2自由度PID的階躍響應曲線,如圖3所示。

圖3
圖3 控制效果對比圖

運用MATLAB計算,得到目標值跟蹤特性和抗擾動特性2階段的IAE及ISE值,對應性能指標值如表1所示。

表1
表1 不同算法控制性能對比
通過圖3和表1分析知,提出的改進PSO與其他算法在優化2自由度PID參數時,均具有優良性能指標,相比其他方法有更小的超調量、調節時間、IAE及ISE。從圖3也可看出,提出的方法有著更快的響應速度和較小的超調量,受到擾動后可快速穩定于終值
附近,有著更好的抗擾性能。

5結束語
本文從粒子群算法和遺傳算法原理出發,發現二者具有很強互補性,提出改進PSO算法,該算法以PSO為主體,融入交叉、變異算子,可防止傳統PSO早熟收斂問題。將改進PSO優化2自由度PID,并用MATLAB進行料筒溫度回路仿真。試驗表明:改進PSO的并行式2自由度PID在料筒溫度控制中具有更優良的控制效果。

參考文獻:
[1]陶西孟.注塑機溫度控制系統算法研究與實現[D].綿陽:西南科技大學,2015.
[2]胡亞南,張洪興,豐會萍.基于模糊神經網絡的注塑機料筒溫度控制策略[J].塑料,2019,48(4):91-95.
[3]丁鋒,徐玲,劉喜梅.傳遞函數辨識(1):階躍響應兩點法和三點法[J].青島科技大學學報,2018,39(1):1-14.
[4]杜祎君.串級時滯過程的分數階二自由度控制方法研究[D].太原:太原科技大學,2021.
[5]楊智,陳穎.改進粒子群算法及其在PID整定中的應用[J].控制工程,2016,23(2):161-166.