您當前的位置:首頁 » 技術 » » 技術常識
淀粉基塑料的研發對取代傳統石油基塑料,擴大在農業生產和生活等方面的應用有重要意義。由于淀粉本身存在結構缺陷,在熱加工和生產使用時均受到了局限。
來源:   發布時間:2021年02月02日 11:38:53 閱讀:12267 
冬季向來是建材行業的生產銷售淡季,因此,冬季爆發的新冠疫情對建材行業的影響相對較弱。進入春季后,國內疫情基本得到控制,復工復產也全面啟動,疫情對社會經濟運行的不利影響正在逐步減弱,隨著全國基建投入...
來源:   發布時間:2020年08月17日 14:48:01 閱讀:9621 
連續碳纖維增強熱塑性樹脂復合材料(CFRP)由于其優異的性能在汽車輕量化以及航空航天等方面得到廣泛應用。介紹了連續碳纖維增強熱塑性樹脂預浸漬片材制備的研究進展,其分紗工藝包括機械分紗、氣流分紗和超聲波...
來源:   發布時間:2020年08月14日 14:16:53 閱讀:11128 
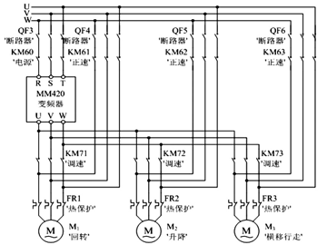
針對傳統的ABS塑料電鍍生產線自動化程度偏低、適用性差、生產成本較高和維護管理難度大等問題,設計開發了以S7-1200PLC和博途TIA Portal為核心的ABS塑料電鍍生產全自動控制系統。
來源:   發布時間:2020年06月05日 14:45:23 閱讀:10399 
以高光三色汽車尾燈燈罩作為研究對象,使用Box-behnken設計(BBD)方法并通過Design-Expert軟件建立塑件總翹曲量及第一射收縮率與注塑參數的響應模型,并檢驗響應模型的精確度及可信度。
來源:   發布時間:2020年05月12日 17:06:16 閱讀:10412 
smartAssist智能遠程協助通過增強現實(AR)技術,可以將實體設備與虛擬文本、符號疊加在一起,克勞斯瑪菲的專家能由此獲取清晰的畫面,輕松閱讀文檔和三維圖紙,即時顯示集成了實時翻譯功能的聊天信息,還可以邀請...
來源:   發布時間:2020年05月12日 16:59:32 閱讀:10073 
從分散相分裂模型解釋了雙螺桿擠出機制備聚乙烯護套料時熔融段和混合段的螺桿設計原則,研究了螺桿 組合、螺桿轉速、喂料量對聚乙烯護套料的性能影響;用哈克轉矩流變儀模擬線纜擠出,評估工藝參數的變 化對成纜外...
來源:   發布時間:2020年04月14日 15:08:55 閱讀:10204 
針對塑料管材切割過程,提出一種基于單片機控制的自動切割同時進行校驗的技術研究方案。該方案主要基于單片機程序進行切割動作的控制,以紅外傳感為輔助判斷切割動作是否完成,從而保證切割動作正常執行。實驗結...
來源:   發布時間:2020年04月14日 14:48:16 閱讀:9986 
“包裝” 一詞始終與產品有著一種特殊的關系,產品的出現需要包裝來保駕護航,最早的包裝就是為了便于攜帶,儲存起來比較方便。隨著社會的不斷進步,科技的不斷發展,人們消費水平的不斷提高,包裝業得到了迅速的...
來源:   發布時間:2020年02月24日 15:10:55 閱讀:9147